SF系列泵是我公司自行研制的不锈钢离心式耐腐蚀微型电泵,泵的叶轮采用半开 式式结构形式,由于产品集优良结构、性能、造型于一身,兼过流零部件及连接 架 采用优质不锈钢材料制造,两系列产品具有耐腐蚀性能可靠,使用维护方便、结构紧凑、能耗低、密封性好等一系列优点。
该系列可输送温度不高于103℃,含有细小软颗粒或纤维质,带腐蚀性或有卫生要求的液体,广泛适用于食品、饮料、医药、污水处理、化工、电镀、漂染、精细化工等行业使用。
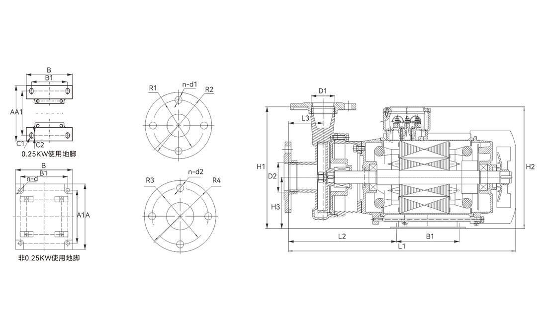
叶轮采取半开式结构
转子轴全部采用摩擦焊接工艺316接轴
电机采用高温线、F级绝缘等级,耐高温≤100°
有硅溶胶和覆膜砂两种铸造工艺,可根据自身 需求选择
| 序号 | 型号 Modle | 流量 (m³/h) |
扬程 (m) |
功率 (kW) |
电压 (V) |
口径 (mm) |
转速 (r/min) |
H1 | H2 | H3 | L1 | L2 | L3 | D1 | D2 | A | A1 | B | B1 | C1 | C2 | R1 | R2 | R3 | R4 | n-d | n-d1 | n-d2 |
| 1 | 25SF2-10-0.25(D) | 2 | 10 | 0.25 | 220/380 | 25 | 2860 | 160 | 188 | 69 | 302 | 143 | 38 | G3/4 | G1 | 125 | 99.5 | 101 | 80 | R3.5 | 11 | 75 | 105 | 85 | 115 | / | 4-Φ14 | 4-Φ14 |
| 2 | 40SF3-14-0.55(D) | 3 | 14 | 0.55 | 220/380 | 40 | 2860 | 191 | 207 | 81 | 361 | 164 | 49 | G1 | G1 | 130 | 90 | 135 | 112 | / | / | 85 | 115 | 110 | 145 | 4-Φ7 | 4-Φ14 | 4-Φ18 |
| 3 | 40SF3-16-0.75(D) | 3 | 16 | 0.75 | 220/380 | 40 | 2860 | 191 | 207 | 81 | 361 | 164 | 49 | G1 | G11/2 | 130 | 90 | 135 | 112 | / | / | 85 | 115 | 110 | 145 | 4-Φ7 | 4-Φ14 | 4-Φ18 |
| 4 | 50SF6-18-1.1(D) | 6 | 18 | 1.1 | 220/380 | 50 | 2860 | 191 | 241 | 95 | 428 | 202 | 63 | G11/2 | G2 | 173 | 140 | 150 | 125 | / | / | 85 | 145 | 125 | 160 | 4-Φ10 | 4-Φ18 | 4-Φ18 |
| 5 | 50SF6-20-1.5(D) | 6 | 20 | 1.5 | 220/380 | 50 | 2860 | 228 | 241 | 95 | 428 | 202 | 63 | G11/2 | G2 | 173 | 140 | 150 | 125 | / | / | 110 | 145 | 125 | 160 | 4-Φ10 | 4-Φ18 | 4-Φ18 |
| 6 | 50SF15-18-2.2(D) | 15 | 18 | 2.2 | 220/380? | 50 | 2860 | 228 | 228 | 102 | 452 | 214 | 68 | G11/2 | G2 | 173 | 140 | 150 | 125 | / | / | 110 | 145 | 125 | 160 | 4-Φ10 | 4-Φ18 | 4-Φ18 |
| 7 | 50SF15-20-3 | 15 | 20 | 3 | 380 | 50 | 2900 | 242 | 242 | 102 | 452 | 214 | 68 | G11/2 | G2 | 173 | 140 | 150 | 125 | / | / | 110 | 145 | 125 | 160 | 4-Φ10 | 4-Φ18 | 4-Φ18 |

